Till innehåll på sidan
Sök
Menade du?
Verktyg
Maskin
Service
DANMARK
Produkter
Skärande verktyg
Borr för allmän bearbetning
HM-borr 3xD med kylkanal
HM-borr 3xD utan kylkanal
HM-borr 5xD med kylkanal
HM-borr 5xD utan kylkanal
HM-borr 7xD med kylkanal
HM-borr 8xD med kylkanal
HM-mikroborr
HM-stegborr 3xD med kylkanal
HSS-borr 1xD till 3xD
HSS-borr 4xD till 5xD
HSS-borr 6xD till 8xD
HSS-borr 8xD till 50xD
HSS-borr morsekona
Borr för aluminium
HM-borr 3xD
HM-borr 5xD
HM-borr 7xD
HM-borr 8xD
HSS-borr 3xD
HSS-borr 5xD
HSS-borr 7xD
HSS-borr 8xD
Övriga borr
Dubbhålsborr
Centrumborr
Borr – vändskär
Borr – utbytbar spets
Borrsatser
Fräsverktyg
Vändskärsfräsar
Frässkär
Fräs med utbytbart huvud
Spårfräsar
HM-fräs för allmän bearbetning
2-skärig hörnfräs
3-skärig hörnfräs
4-skärig hörnfräs
5- till 8-skärig hörnfräs
2-skärig fullradiefräs
3-skärig fullradiefräs
4-skärig fullradiefräs
Fasfräs och radiefräs
HM-fräs för aluminium
1- till 2-skärig hörnfräs
3-skärig hörnfräs
4- till 8-skärig hörnfräs
2-skärig fullradiefräs
Allmän svarvning – hållare
Coromant Capto
Invändig hållare
Utvändig hållare
Coroturn SL
Allmän svarvning – svarvskär
Negativa skär för svarvning
Positiva skär för svarvning 7°
Positiva skär för svarvning 11°
Avstickning och spårsvarvning
Coromant Capto
Utvändig hållare
Invändig hållare
Skär
Coroturn SL
Gängverktyg
Gängsvarvning
Gängfräsning
Gängsnitt
Gängsatser
Övriga gängverktyg
Gängtappar
Kombigängtapp
Pressgängtapp
Rak- och spåndrivande gängtapp
Spiralgängtapp
Brotschar
Brotschar – HSS
Brotschar – HM
Brotsch med utbytbart huvud
Kilspårsverktyg
Uppborrning
Grovuppborrning
Finuppborrning
Axiell spårstickning
Försänkare
Försänkningssystem 01
Försänkare
Insatsborr
Hållare
Roterande filar
Roterande HM-filar – universal
Roterande HM-filar – stål
Roterande HM-filar – rostfritt
Roterande HM-filar – aluminium
Roterande HM-filar – finbearbetning
Roterande filar – satser
Hållande verktyg
Verktygshållare – fräs
Verktygshållare ISO40
Verktygshållare ISO50
Verktygshållare BT30
Verktygshållare BT40
Verktygshållare BT50
Verktygshållare HSK
Verktygshållare Capto
Verktygshållare cylindrisk
Verktygshållare ISO40 BIG-PLUS
Verktygshållare ISO50 BIG-PLUS
Verktygshållare BT30 BIG-PLUS
Verktygshållare BT40 BIG-PLUS
Verktygshållare BT50 BIG-PLUS
Dragtappar
Tillbehör
Verktygshållare – svarv
Verktygshållare BMT65
Verktygshållare VDI
Verktygshållare Capto
Drivna verktyg Justerbart
Drivna verktyg Axiellt
Drivna verktyg Radiellt
Drivna verktyg Capto
Tillbehör
Verktygshållare – gängning
Gängchuckar
Gängtappshållare
Vinkelhuvuden
Ensidig
Dubbelsidig
Ställbart
Spännhylsor
Spännhylsor Sandvik
Gängtappshylsor
Spännhylsor Sandvik – tätade
Spännhylsor Sandvik för gängtapp
Spännhylsor ER
Spännhylsor ER – tätade
Spännhylsor ER för gängtapp
Spännhylsor cylindriska – tätade
Spännmuttrar ER
Reduceringshylsor
Borrchuckar och dorn
Borrchuckar
Borrchucksdornar
Förlängningshylsor
Reduceringshylsor
Tillbehör
Svarvtillbehör
Svarvbackar
Chuckar och tillbehör
Backskivor
Dubbar
Stålhållare
Stångframdragare
Maskintillbehör
Skruv, mutter och bricka
Spännjärn
Spännklackar
T-spår
Spännjärnssatser
Gängapparat
Rengöringsverktyg
Oljedimavskiljare
Övriga maskintillbehör
Skruvstycken
Maskinskruvstycken
Bänkskruvstycke
Magnetbord
Referensbord
Parallellbitsats
Tillbehör till skruvstycken
Spännverktyg
Tillbehör till snabbspännare
Snabbspännare
Magneter
Avmagnetiseringsapparat
Magnetsökare och teleskopmagnet
Magnetkloss
Svetsmagneter
Centrering och positionering
Toolsetters och 3D-tasters
Handverktyg
Bits
Phillips
Pozidriv
Spår
Insex
Torx
Torq
Fyrkant
XZN
Bitshållare
Satser
Övriga bits
Vinkelbitshållare
Dragverktyg
Avdragare
Skruvutdragare
Filar och hyvlar
Filar
Nålfilar
Hyvlar
Raspar
Stämjärn
Övrigt inom filar och hyvlar
Gradverktyg och skavstål
Gradverktyg
Skavstål
Handsågar
Bågfilar
Bågsågar
Fogsvansar
Övriga handsågar
Hylsverktyg
Hylssatser
Hylsor 1/4''
Hylsor 3/8''
Hylsor 1/2''
Hylsor 3/4''
Insexhylsor
Krafthylsor
Momentverktyg
Spärrhandtag och förlängare
Kråkfötter
Universalknutar
Reduceringar och förstoringar
Övriga hylsverktyg
Momentstavar
Knivar och yxor
Barkspadar
Brytbladsknivar
Hantverkarknivar
Universalknivar
Knivblad
Yxor
Övriga knivar och yxor
Nycklar
U-ringnycklar
Fasta nycklar
U-ringspärrnycklar
U-nycklar
Ringnycklar
Ringspärrnycklar
Skiftnycklar
Lednycklar
Haknycklar
Insex- och torxnycklar
Övriga nycklar
Rörverktyg
Avgradare
Bockverktyg
Röravskärare
Rörtänger
Tillbehör
Saxar
Bultsaxar
Plåtsaxar
Universalsax
Skruvmejslar
Satser
Insex
Phillips
Pozidrive
Torx
Spår
Hylsa
Bitsmejslar
Finmekaniker
Isolerade
Övriga skruvmejslar
ESD
Slag- och brytverktyg
Bräckjärn
Drivdorn
Hammare
Huggmejsel
Huggpipor
Klubbor
Körnare
Spett och brytspakar
Övriga slag- och brytverktyg
Tänger
Elektroniktänger
Falstänger
Håltänger
Isolerade tänger – 1000V/VDE
Kombinationstänger
Kraftavbitare
Plomberingstänger
Polygrip
Presstänger
Sidavbitare
Spetstänger
Spårringstänger
Svetstänger
Tångsatser
Övriga tänger
Spännverktyg
Limklämmor
Skruvtvingar
Snabbtvingar
Fjädertvingar
Lyfttvingar
Övriga spännverktyg
Märkning
Märkmaskiner
Pennor och kritor
Ritsverktyg och passare
Stansar
Serviceverktyg
Fordonsservice
Magnetisk uppsamling
Verktygssatser
Komplett verktygsvagn
Skräddarsy din verktygsvagn
Verktygssatser
Tillbehör till verktygsvagnar
Komplett verktygsväska
Övriga handverktyg
Julkalender
Multiverktyg
Mätverktyg
Laser
Avståndsmätare
Avvägningsinstrument
Kors- och linjelaser
Punktlaser
Roterande laser
Tillbehör
Mät – bygg
Måttband
Måttstockar
Snörslå och snören
Vattenpass och rätstegar
Vinklar
Övrigt inom mät – bygg
Mät – industri
Djupmått
Hålindikatorer
Höjdritsmått
Mikrometrar
Mätur och stativ
Passbitar och satser
Ritsskjutmått
Analoga skjutmått
Digitala skjutmått
Slitsmått, tolkstål och mallar
Stålskalor
Trepunktsmikrometrar
Vinkelmät
Vippindikator
Mättillbehör
Testinstrument
Fuktmätare
Inspektionskameror
Multimeter
Regelsökare
Spänningsprovare
Tångamperemeter
Temperaturmätare
Övriga instrument
Vågar och räknare
Pallvågar
Räknare
Vågar
Skydd och kläder
Kollektioner
Helly Hansen – Sortilog Bygg
Helly Hansen – Sortilog CNCT
Helly Hansen – Sortilog Industri
Snickers Workwear – Kollektion by Edströms
Båstadgruppen – Damkollektion by Edströms
Guide – Sortilog
Huvudskydd
Hjälmar
Hjälmhuvor
Tillbehör
Hörselskydd
Hörselkåpa
Hörselkåpa för hjälm
Hörselkåpa elektronik
Hörselkåpa elektronik för hjälm
Hörselproppar
Dispenser hörselproppar
Tillbehör
Ögonskydd
Skyddsglasögon
Ansiktsskärmar
Svetshjälm
Tillbehör
Andningsskydd
Filtrerande halvmasker
Hel- och halvmasker
Filter
Fläktassisterat
Tryckluftsassisterat
Tillbehör
Handskar
Arbetshandskar
Engångs- och kemskyddshandskar
Vinterhandskar
Svets- och värmeskyddshandskar
Skärskyddshandskar
ESD-handskar
Armskydd
Övriga handskar
Arbetsskor
Skyddsskor – låga
Skyddsskor – mellan
Skyddsskor – höga
Yrkesskor – låga
Yrkesskor – mellan
Yrkesskor – höga
Stövlar
Tofflor
Sulor
Tillbehör
Arbetskläder
Byxor – hantverk
Byxor – industri
Hantverksbälten och fickor
Knä- och stödskydd
Hängslen och bälten
Softshell- och fleecejackor
Skaljackor och skalbyxor
Västar
Vinterjackor
Kortärmade överdelar
Långärmade överdelar
Regnkläder
Underställ och underkläder
Mössor och strumpor
Shorts och piratbyxor
Flam- och värmeskydd
Kemskydd
Övrigt inom arbetskläder
Skyltar
Varningsskyltar
Förbudsskyltar
Informationsskyltar
Nödskyltar
Utrymnings- och brandskyltar
Kemiska risker
Påbudsskyltar
Trafik och parkering
Trivselskyltar
Bokstäver och märkning
Tillbehör och fästen
Hudvård
Hudkräm
Handrengöringsduk
Skyddskräm
Handrengöring
Dispensrar
Fallskydd
Fallskyddpaket
Selar och bälten
Linor och rep
Fallskyddsblock
Räddningsutrustning
Tillbehör
Första hjälpen
Stationer och väskor
Förbandsmaterial
Ögon- och nödduschar
Hjärtstartare
Brandskydd
Brandfiltar
Brandsläckare
Brandvarnare
Dusch och WC
Dusch
WC
Elverktyg och tillbehör
Batteridrivna 3,6-12 V
Verktygspaket
Slagskruvdragare
Borr- och bilningshammare
Borrskruvdragare
Mutterdragare
Fog- och spikpistoler
Multiverktyg
Handhållna sågar
Träbearbetning
Slip- och polermaskiner
Radio och belysning
Batterier och laddare 3,6-12 V
Övriga batterimaskiner
Batteridrivna 18-54 V
Verktygspaket
Slagskruvdragare
Borr- och bilningshammare
Borrskruvdragare
Mutterdragare
Skruvautomater
Fog-, nit- och spikpistoler
Multiverktyg och sticksågar
Stationära sågar
Tiger- och svärdsågar
Träbearbetning
Sänk- och cirkelsågar
Slip- och polermaskiner
Betongbearbetning
Radio och belysning
Batterier och laddare 18-54 V
Övriga batterimaskiner
Stationära
Bordsågar
Kap- och gersåg
Kapmaskiner
Plåt/metall
Slip- och putsmaskiner
Sågbänkar och tillbehör
Pelarborrmaskiner
Elverk
Tillbehör
Nätanslutna
Borr- och bilningshammare
Borrskruvdragare
Handhållna sågar
Träbearbetning
Plåt/metall
Slip- och polermaskiner
Betongbearbetning
Varmluftspistoler
Övriga maskiner och tillbehör
Trädgårdsmaskiner
Multitrimmers
Gräsklippare
Röjsågar och trimmers
Häcksaxar och kedjesågar
Lövblåsar
Pumpar
Tillbehör
Övriga trädgårdsmaskiner
Borr, mejslar och fräs
Metallborr
Koniska borr – HSS
Borr och mejslar – SDS-plus
Borr och mejslar – SDS-max & HEX
Kakel och betongborr
Träborr
Fräsar – trä
Försänkare
Borrsatser
Övriga borr och fräsar
Hålsåg, dosfräs och kärnborr
Hålsågar- multi
Hålsågar- metall
Hålsågar- diamant
Hålsågssatser
Dosfräs
Skruvhålsstans
Tillbehör och adaptrar
Kärnborr
Sågklingor och sågblad
Sticksågblad
Tigersågblad
Sågklingor- trä
Sågklingor- metall
Sågklingor - diamant
Slipskålar- diamant
Band- och maskinsågblad, metall
Bandsågsblad- trä
Multicut tillbehör
Tillbehör
Maskintillbehör
Sågskenor och tillbehör
Dammhantering
Blandarvispar
Automatdelar och bits
Reservdelar
Övriga maskintillbehör
Dremelmaskiner och tillbehör
Dremelmaskiner
Dremeltillbehör
Förvaringssystem elverktyg
Dewalt ToughSystem
Dewalt TSTAK / Stanley Pro-Stack
Milwaukee Packout
Bosch L-BOXX
Makita Makpac
Festool SYS
Spårning och stöldskydd
Spårningsenheter
Infästning
Förankring och plugg
Kemisk infästning
Lätt infästning av metall
Lätt infästning plast och nylon
Expander
Betongskruvar
Verktyg till förankring
Övrigt förankring och plugg
Trä- och byggskruv
Bandad infästning
Fransk träskruv och konstruktionsskruv
Skiv- och listskruv
Skruvkrokar och skruvstift
Trallskruv
Träskruv
Karminfästning
Karm – infästning
Karm – verktyg
Karm – tillbehör
Plåtinfästning
Balkskruv
Bleckskruv
Blindnitskruv
Byggplåtskruv
Farmarskruv
Isolerskruv
Krok- och klammerskruv
Blindnit
Blindnitmutter
Plåt- och montageskruv
Vindskiveskruv
Blindnitverktyg
Blindnitmutterverktyg
Bult, mutter och bricka
Insexskruv
Stoppskruv
Sexkantsskruv
Maskinskruv
Torxskruv
Gängstänger
Muttrar
Brickor
Vagnsbult
Ögleskruv och öglemutter
Spik och klammer
Bandad spik
Lös spik och dyckert
Klammer
Häftpistoler
Övrigt spik och klammer
Byggbeslag
Bjälkbeslag
Spikplåt och hålband
Stolpbeslag
Vinkelbeslag
Fästmaterial
Insatsgängor och sprintar
Gänginsatser
Spårringar och sprintar
Slipmaterial
Kap och nav
Kapskivor
Kap- och sliprondeller
Tillbehör kap och nav
Navrondeller
Rondeller och slippapper
Fiberrondeller
Självhäftande rondeller
Lamellrondeller
Ytkonditioneringsrondeller
Grovrengörare
Underläggsplattor
Gradskivor
Slippapper
Roloc
Grovrengörare
Lamellrondeller
Sliprondeller
Ytkonditioneringsrondeller
Gradskivor
Filtpolerskivor
Roloc-hållare och tillbehör
Speed-Lok
Grovrengörare
Sliprondeller
Ytkonditioneringsrondeller
Lamellrondeller
Speed-Lok-hållare och tillbehör
Slip – bundet
Brynen
Slipskivor
Slipskålar
Slipstift
Övrigt
Slipband och hylsor
Slipband
Ytkonditioneringsband
Sliphylsor
Handslipning och polering
Slipdukar
Våtslippapper
Ytkonditioneringsark
Slipsvampar och klotsar
Vax och polering
Smärgelduk och ekonomirulle
Borstar
Axialborstar
Radialborstar
Lamellborstar
Cirkulärborstar
Handstålborstar
Rörborstar
Ändborstar
Övriga borstar
Hjul
Putshjul
Gradningshjul
Lamellhjul
Lim, fog och tejp
Lim
Snabblim
Gänglåsning
Cylindriskt fastsättning
Gäng- och flänstätning
Spraylim
Epoxylim
Kontaktlim
Montagelim
Trälim
Värme- och limpistoler
Primer och Aktivator
Övrigt inom lim
Fog- och tätmassor
Fogmassor
Fogskum
Spackel
Fogpistoler och tillbehör
Övriga fog- och tätmassor
Tätningstejp och lister
Gängtejp
Tätningstejp
Tätningslister
Enkelhäftande tejp
Byggtejp
Eltejp
Maskeringstejp
Packtejp
Vävtejp
Markeringstejp
Aluminiumtejp
Tejphållare
Bandningstejp
Varningstejp
Friktionsreducerande tejp
Övrig enkelhäftande tejp
Dubbelhäftande tejp
VHB-tejp
Dubbelhäftande tejp
Ytrengöringsmedel
Golv- och mattejp
Skyddstejp
Halkskyddstejp
Återförslutningssystem
Dual Lock
Kardborreband
Övrigt lim, fog och tejp
Vulkaniserande tejp
Appliceringsverktyg
Svets
Svetsmaskiner
MIG / MAG
MMA / Elektrodsvets
Plasmaskärare
TIG
MIG svetspistoler
K3-nivåmodeller GX
MXL201
PSF260
PSF420W
PSF520W
TIG svetspistoler
Lilla Linde
Stora Linde
TIG slitdelar
Lilla Linde
Stora Linde
Wolframelektroder
MIG slitdelar
GX253 / 255
GX203G / 303W / 205G / 305W
GX303G / 403W / 305G / 405W
GX403G / 503W / 405G / 505W
FE20 / FE5 / MMT25 / PMT25
FE27 / FE32 / MMT32 / PMT32
FE35 / PMT35 / MMT42W / PMT42W
FE42 / MMT42 / PMT42 / PMT52W
MXL201
MXL271
PSF260
PSF315
PSF415
PSF420W
PSF520W
Svetstillbehör
Gasflaskor
Svetsslangar
Svetsspray
Regulatorer
Utsug
Övriga svetstillbehör
Tillsatsmaterial
Belagda elektroder – MMA
Solidtråd – MIG / MAG
Rörtråd – FCAW
Svetstråd – TIG
Gassvetstråd
Lod
Övriga tillsatsmaterial
Gassvets
Armaturer
Brännare
Slang och kopplingar
Slitdelar
Övrigt inom gassvets
Gasolutrustning
Brännare
Gasol
Lödning
Lödkolv
Lödtråd och lödtenn
Induktionsvärmare
Tillbehör
Pneumatik
Ventiler
Mekaniska ventiler
Elektriska ventiler
Luftstyrda ventiler
Stryp- och backventiler
Snabbavluftande ventiler
Logikventiler
Tillbehör ventiler
Cylindrar
Cylinder CD85
Cylinder CP96
Kompaktcylinder CDQ2B
Tillbehör till CD85
Tillbehör till CP96
Givare
Luftberedning
Dimsmörjare
Luftfilter
Regulatorer
Filterregulatorer
Avstängningsventiler
Tryckstegrare
Tryckvakt
Manometer
Tillbehör luftberedning
Kopplingar
Instickskopplingar i plast och mässing
Instickskopplingar i metall
Rörkopplingar
Slang
Polyuretanslang
Nylonslang
Flourplastslang FEP
Vakuum
Regulatorer
Ljuddämpare
Ljuddämpare i plast
Ljuddämpare i metall
Tryckluft
Kompressorer
Kolvkompressorer
Skruvkompressorer
Oljefria kompressorer
Kyltorkar
Tillbehör
Tryckluftsmaskiner
Skruvdragare
Borrmaskiner
Nål- och mejselhammare
Mutterdragare och spärrnycklar
Filmaskiner
Slip- och polermaskiner
Blindnitverktyg
Dyckert-, klammer- och spikpistoler
Övrigt för tryckluftsmaskiner
Kopplingar
320-serien
410-serien
220-serien
Multi-link och förgreningar
Rörkopplingar
Kulventiler
Övrigt inom kopplingar
Slang och tillbehör
Slangar
Slang med kopplingar
Slangklämmor
Blåspistoler och tillbehör
Blåspistoler luft
Blåspistoler luft och vatten
Blåspistoler kit
Munstycken och tillbehör
Vindor och upprullare
Stationära
Portabla
Bygg- och industrivaror
Arbetsbockar, pallar och stegar
Arbetspallar och trappallar
Hopfällbara arbetsbänkar
Arbetsbockar
Trappstegar
Enkel- och kombistegar
Teleskopiska stegar
Byggställningar
Övrigt arbetsbockar, pallar, stegar
Bygg- och täckfolie
Skyddspapp
Täckfolie
Dammskydd
Insektsnät
Byggfolie
Förnödenheter
Tråd
Slangklämmor
Industrigummi
Buntband och tillbehör
Ventilation
VVS
Mur och puts
Måleri
Förpackningar
Övriga förnödenheter
Förvaring
Vägg- och hängsystem
Lås och beslag
Beslag
Dörrstängare
Dörrtrycken och handtag
Krokar och hängare
Fönster- och dörrbeslag
Hänglås och övriga lås
Övrigt lås och beslag
Maskinelement
Maskinskor
Anslagsdämpare
Handtagskulor
Låsspakar
Stjärnvred
Borrbussningar
Silverstål
Park och trädgård
Krattor
Spadar och Skyfflar
Snöredskap
Sekatörer
Presenningar
Korgar och säckar
Bevattning
Bekämpning
Redskapshållare och krokar
Övrigt park och trädgård
El och belysning
Installationsel
Sladd och kablar
Strömbrytare och vägguttag
Dosor och rör
Elinstallationsmaterial
Fästmaterial och kanaler
Säkringar
Bygg- och industriel
Kabelvindor
Skarvsladdar och kablar
Grenuttag
Byggcentraler
Don och övergångar
Elradiatorer
Avfuktare
Fläktar
Elverk
Belysning
Arbetsbelysning
Ledslingor
Ficklampor
Handlampor
Pannlampor
Stativ och fästen
Övrig belysning
Ljuskällor
Halogenlampor
Batterier och laddare
Alkaliska batterier
Litiumbatterier
Knappcellsbatterier
Uppladdningsbara batterier
Laddare och laddkablar
Övrigt batteri och laddare
Kemiska produkter
Olja
Hydrauloljor
Gejdoljor
Gäng- och skäroljor
Cirkulationsolja
Kompressoroljor
Luftverktygsoljor
Växellådsoljor
Övriga oljor
Fett, pastor och smörjspray
Montagepastor
Smörjfett
Smörjspray
Avfettning och rengöring
Avfettningsmedel
Rostlösare
Industriell rengöring
Rengöringsduk
Skärvätska och skärpasta
Skärvätskor
Skärpasta
Smörjverktyg
Doseringsutrustning
Oljekannor och trattar
Pumpar och kranar
Smörjsprutor
Smörjnippel
Trycksprutor
Övriga smörjverktyg
Färg, lack och lösningsmedel
Sprayfärg
Linje- och markeringsfärg
Lösningsmedel
Tillbehör
Övrigt färg, lack, lösningsmedel
Övriga kemikalier
Rostskydd
Läck- och spricksökare
Spolarvätska
Vägsalt
Batterivatten
Övrigt
Arbetsplats
Arbetsplatsutrustning
Arbetsbord
Tillbehör för arbetsbord
Skåp och hurtsar
Montörvagnar
Avskärmning
Verktygstavlor och krokar
Stolar
Mattor
Kontorsmaterial
Fikarum
Övrig arbetsplatsutrustning
Belysning
Bordsbelysning
Förstoring
Maskinbelysning
Förvaring
Hyll- och pallställ
Kylväskor
Verkstadsskåp
Stanley verkstadsinredning
Stapel- och transportlådor
Verktygsväskor och lådor
Miljö
Absol
Absorbenter olja
Absorbenter universal
Fathantering
Sopkärl och tippcontainer
Sop och avfallsvagnar
Tunnor och dunkar
Kemikalieskåp
Tork och poler
Torkpapper
Trasor
Trassel
Rengöringsdukar
Dispensrar och ställ
Lyft och transport
Domkrafter och pallbockar
Garagedomkraft
Pallbockar
Pelardomkraft
Lyft
Lyftbord
Blockvagnar
Lyftmagneter
Mjuka lyft
Plåtlyft
Vägg- och pelarsvängkranar
Telfrar
Verkstadskranar
Vinschar
Övrigt inom lyft
Emballering
Plastband
Stålband
Sträckfilm
Bandningsverktyg och tillbehör
Lockhäftare
Övrigt emballering
Lastsäkring
Lastspännare
Spännband
Kätting och stållinor
Kätting, oklassad
Kätting, klassad
Tillbehör, klassad kätting
Stållinor och tillbehör
Övrigt kättingar och stållinor
Transport
Bordsvagnar
Gaffellyftvagnar och höglyftare
Magasinkärror
Skottkärror
Pallvagnar
Övrigt inom transport
Hjul
Transporthjul
Gaffelvagnshjul
Luftgummihjul
Möbelhjul
Rullbanor
Övrigt inom hjul
Städ och rengöring
Dammsugare och tillbehör
Batteridrivna dammsugare
Industridammsugare
Dammsugarpåsar och tillbehör
Högtryckstvättar
Hetvattentvätt
Kallvattentvätt
Tillbehör högtryckstvättar
Rengöringsmedel
Golv- och grovrengöring
Allrengöringsmedel
Avfettningsmedel
Fönster och spegelputs
Övriga rengöringsmedel
Sop- och skurmaskiner
Kombimaskiner
Skurmaskiner
Sopmaskiner
Städutrustning och tillbehör
Dukar, borstar och svampar
Fönster- och golvskrapor
Hink
Moppar och tillbehör
Sopborstar och skyfflar
Sopsäckar och hållare
Varumärken
Kampanj
ToolBar
Maskinmodeller
Kundcase
Räkna på er besparing
Om oss
Utvalt sortiment
Butiken
Turbilar
Tips & Råd
Nyheter
Jobba hos oss
Kontakt
Bli kund
Logga in
Logga in
Användarnamn
Lösenord
Kom ihåg mig?
Glömt lösenord?
Skapa konto
Återställ lösenord
Skicka
Varukorg
Min varukorg
Art.nr.
Benämning
Antal
Pris
Ta bort
Laddar varukorg...
Verktyg Webbshop
Produkter
Skärande verktyg
Borr för allmän bearbetning
Borr för aluminium
Övriga borr
Fräsverktyg
HM-fräs för allmän bearbetning
HM-fräs för aluminium
Allmän svarvning – hållare
Allmän svarvning – svarvskär
Avstickning och spårsvarvning
Gängverktyg
Gängtappar
Brotschar
Uppborrning
Försänkare
Roterande filar
Hållande verktyg
Verktygshållare – fräs
Verktygshållare – svarv
Verktygshållare – gängning
Vinkelhuvuden
Spännhylsor
Borrchuckar och dorn
Svarvtillbehör
Maskintillbehör
Skruvstycken
Spännverktyg
Magneter
Centrering och positionering
Handverktyg
Bits
Dragverktyg
Filar och hyvlar
Gradverktyg och skavstål
Handsågar
Hylsverktyg
Knivar och yxor
Nycklar
Rörverktyg
Saxar
Skruvmejslar
Slag- och brytverktyg
Tänger
Spännverktyg
Märkning
Serviceverktyg
Verktygssatser
Övriga handverktyg
Mätverktyg
Laser
Mät – bygg
Mät – industri
Testinstrument
Vågar och räknare
Skydd och kläder
Kollektioner
Huvudskydd
Hörselskydd
Ögonskydd
Andningsskydd
Handskar
Arbetsskor
Arbetskläder
Skyltar
Hudvård
Fallskydd
Första hjälpen
Brandskydd
Dusch och WC
Elverktyg och tillbehör
Batteridrivna 3,6-12 V
Batteridrivna 18-54 V
Stationära
Nätanslutna
Trädgårdsmaskiner
Borr, mejslar och fräs
Hålsåg, dosfräs och kärnborr
Sågklingor och sågblad
Maskintillbehör
Dremelmaskiner och tillbehör
Förvaringssystem elverktyg
Spårning och stöldskydd
Infästning
Förankring och plugg
Trä- och byggskruv
Karminfästning
Plåtinfästning
Bult, mutter och bricka
Spik och klammer
Byggbeslag
Insatsgängor och sprintar
Slipmaterial
Kap och nav
Rondeller och slippapper
Roloc
Speed-Lok
Slip – bundet
Slipband och hylsor
Handslipning och polering
Borstar
Hjul
Lim, fog och tejp
Lim
Fog- och tätmassor
Tätningstejp och lister
Enkelhäftande tejp
Dubbelhäftande tejp
Skyddstejp
Återförslutningssystem
Övrigt lim, fog och tejp
Svets
Svetsmaskiner
MIG svetspistoler
TIG svetspistoler
TIG slitdelar
MIG slitdelar
Svetstillbehör
Tillsatsmaterial
Gassvets
Gasolutrustning
Lödning
Pneumatik
Ventiler
Cylindrar
Luftberedning
Kopplingar
Slang
Vakuum
Ljuddämpare
Tryckluft
Kompressorer
Tryckluftsmaskiner
Kopplingar
Slang och tillbehör
Blåspistoler och tillbehör
Vindor och upprullare
Bygg- och industrivaror
Arbetsbockar, pallar och stegar
Bygg- och täckfolie
Förnödenheter
Förvaring
Lås och beslag
Maskinelement
Park och trädgård
El och belysning
Installationsel
Bygg- och industriel
Belysning
Ljuskällor
Batterier och laddare
Kemiska produkter
Olja
Fett, pastor och smörjspray
Avfettning och rengöring
Skärvätska och skärpasta
Smörjverktyg
Färg, lack och lösningsmedel
Övriga kemikalier
Arbetsplats
Arbetsplatsutrustning
Belysning
Förvaring
Miljö
Tork och poler
Lyft och transport
Domkrafter och pallbockar
Lyft
Emballering
Lastsäkring
Kätting och stållinor
Transport
Hjul
Städ och rengöring
Dammsugare och tillbehör
Högtryckstvättar
Rengöringsmedel
Sop- och skurmaskiner
Städutrustning och tillbehör
Varumärken
Kampanj
ToolBar
Maskinmodeller
Kundcase
Räkna på er besparing
Kontakt
Bli kund
Om oss
Utvalt sortiment
Butiken
Turbilar
Tips & Råd
Nyheter
Jobba hos oss
Maskin
Maskiner
Svarvar
Vertikala Fleroperationsmaskiner
5-axliga Fleroperationsmaskiner
Horisontella Fleroperationsmaskiner
Maskinbetjäning
3D-skrivare metall
Rundmatningsbord
Portalfräsmaskiner
Slipmaskiner
Rörlaser/rörbockning
Trådbockning/ändformning
Bandsågar
Klingkapmaskiner
Kantpressar/Gradsaxar
Bäddfräsar/Golvverk
Bordsfräs
Maskintyper
Varumärken
Haas Automation
Tornos
Kitamura
DesktopMetal
BLM | Adige
Lagun
Chevalier
DoAll
Shimada
Vimercati
Automation
Utbildningar
Tjänster
Skolor
Kontakt
Showroom/Begagnat
Begagnade maskiner
HAAS VF-6D/40HE
HAAS VF-6/50HE
Showroom-maskiner
KITAMURA HX250iG
KITAMURA MYTRUNNION-4G
HAAS UMC-400SS
HAAS UMC-750SS
HAAS VF-2SSYT-EU
HAAS DC-1
HAAS ST-20Y-EU
HAAS VF-4SS-EU
HAAS TM-1P
HAAS TRT310
HAAS HRT100
HAAS COBOT PKG-10KG
TORNOS GT32
CHEVALIER FSG-1224 ADIV
CHEVALIER FSG-1640 ADIV
CHEVALIER FSG-2048 ADIV
DOALL C-420NC
DESKTOP METAL STUDIO SYSTEM 2 PRINTER
DESKTOP METAL SHOP SYSTEM PRINTER
Service
Service Skärande
Service Plåt
Reservdelar
Serviceavtal
Kontakt
Danmark
Maskiner
Service
Kontakt
Hitta till oss i Jönköping
Find os i Danmark
Om oss
Nyheter
Hem
Verktyg
Produkter
Hållande verktyg
Verktygshållare – svarv
Verktygshållare VDI
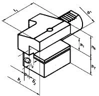
VDI hållare Axial C3 H
VDI hållare Axial C3 H
Axial hållare - Form C3 höger, kort.
Visa mer
Se varianter